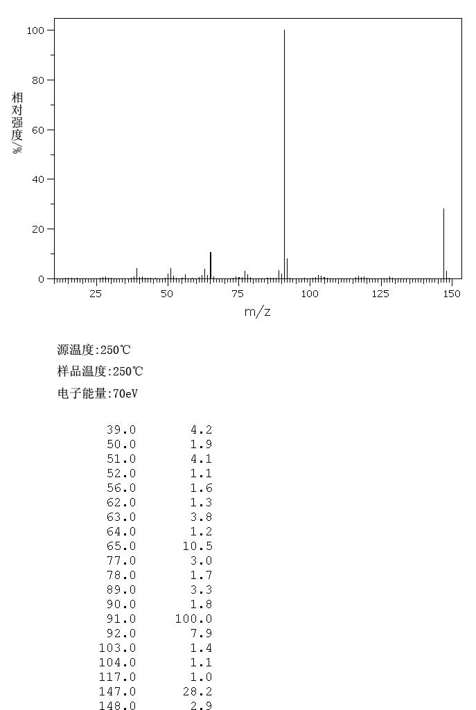
异氰酸苯乙酯

pro_cas
1943-82-4
pro_cdbregno
CCD00023909
pro_formula
C9 H9 N O
pro_molWeight
147.176
Company_information model pic pic_download

WinChembase

Tel:021-56332350

CountryRegion:CN

http://www.basechem.org

MS Download